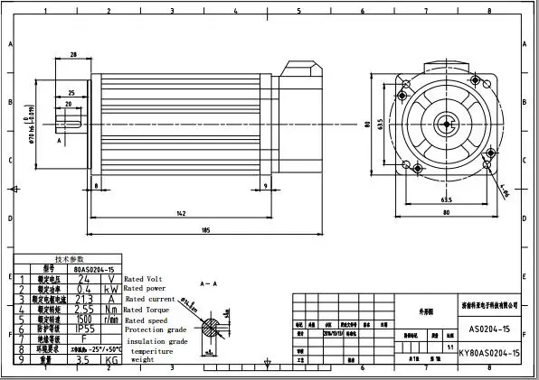
24V 400W 1500rpm Brushless dc motor with encoder
|
Rated voltage
|
DC24V
|
|
Rated power
|
400w
|
|
Rated speed
|
1500rpm
|
|
Rated current
|
21.3A
|
|
Rated touque
|
2.55N.m
|
|
Peak Torque
|
7.65N.m
|
|
Line Resistance
|
0.025Ω (20℃)
|
|
Rotor Inductance
|
0.066mH
|
|
Torque Constant
|
0.119N.m/A
|
|
Back EMF Constant
|
10.9V/Kr/min
|
|
Rotor Inertia
|
281kg.m2*106
|
|
Mechanical Time Constant
|
0.6ms
|
|
Electrical Time Constant
|
0.5ms
|
|
Weight
|
3.6kg
|
Low noise, low vibration, low moment of inertia.
High torque, fast dynamic response, wide speed range, strong overload capacity (four times)
Features:
*High Torque to inertia ratio&up to 15000Nm/kgm²
*Fast dynamic response *time constant <20ms
*Wide speed adjusting&feedback up to 1000:1
*Steady speed precision up to 0.5%
*High overload,2Mn/30s,3.5N.m/10s
*Small volume and light
*Silent,the lowest noise is only 45dB(A)
*Protected with IP65,Class F insulation
Industry class
1.The altitude should be over 1000 meters above sea level
2.Environment temperature:+5℃~+40℃
3.The month average tallest relative humidity is 90%,at the same the month average lowest temperature is less than 25


Komentar
Posting Komentar